Пелетний пальник AIR Pellet 15 кВт

- В наявності
50 440 ₴
Пальники на пелетах AIR Pellet
Країна-виробник — Україна
Потужність — 15 кВт
Відео роботи пальника 150 кВт на твердопаливному котлі
Пелетний пальник AIR Pellet розроблена для встановлення в твердопаливні та рідкопаливні котли, для модернізації наявних котельних, а також для будівництва нових.
Завдяки вбудованому запалюванню, дає змогу автоматично запалювати й гасити полум'я. Вбудований ворошник палива сприяє стабільному процесу горіння.
Електронний пульт керування BIO PID керує пальником, шнековим живичем, температурою контуру опалення, а також кімнатним термостатом.
Призначена для роботи на деревній пелеті високої якості. У цьому разі досягається максимальна ефективність.
Допускається робота на паливі низької якості, з деревної кори, насіння соняшнику, соломи. Але ефективність знижується, і може знадобитися часте очищення від золи та шлаку.
Перевага
- Автоматизація котельної — запалювання, тушкування, очищення
- Модуляція потужності 20-100%
- Встановлення во все твердопаливні і рідкопаливні котли
- Мале енергоспоживання
- Високі екологічні показники
- Невисока вартість
- Гарантія 2 роки
Комплектація
- Пальник
- Паливний Шнек
- Пульт керування BIO PID
- Паспорт
Конструкція пальника AIR Pellet на 15 кВт

Пульт керування AIR BIO PID
Головний екран AIR BIO PID

Механічний ворошник палива для стабільного горіння пелети

Відео роботи
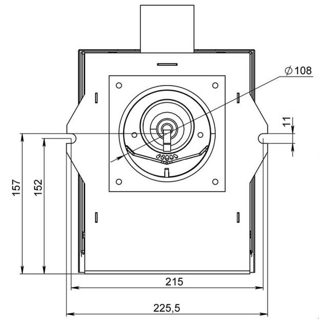
Габаритні та приєднувальні розміри


| Основні | |
|---|---|
| Тип роботи пальника | Вентиляторна |
| Регулювання | Модульована |
| Потужність номінальна | 15 кВт |
| Коефіцієнт корисної дії | 90 % |
| Країна виробник | Україна |
| Гарантійний термін | 24 міс |
| Габаритні розміри | |
| Висота | 270 мм |
| Ширина | 200 мм |
| Довжина | 480 мм |
| Користувальницькі характеристики | |
| Види палива | Пелети |
| Потужність | 15 кВт |
| Потужність, кВт | 15 |
- Ціна: 50 440 ₴









